Магазин запчастей для бытовой техники - Arlos
Москва
close
Выберите ваш регион
АбаканАлександровАльметьевскАнгарскАрзамасАрмавирАртемАрхангельскАстраханьАчинскБалаковоБалашихаБеларусьБелгородБердскБерезникиБийскБлаговещенскБратскБрянскВеликий НовгородВидноеВладивостокВладикавказВладимирВолгоградВолгодонскВолжскийВологдаВолховВоркутаВоронежВоскресенскВыборгГатчинаГеленджикГрозныйДедовскДербентДзержинскДзержинскийДимитровградДмитровДолгопрудныйДомодедовоДонецкЕвпаторияЕгорьевскЕкатеринбургЕлецЕссентукиЖелезногорскЖелезнодорожныйЖуковскийЗеленоградЗлатоустИвановоИвантеевкаИжевскИркутскИстраЙошкар-ОлаКазаньКалининградКалугаКаменск-УральскийКамышинКаспийскКемеровоКерчьКировКисловодскКлинКовровКоломнаКомсомольск-на-АмуреКопейскКоролёвКостромаКотельникиКрасногорскКраснодарКраснознаменскКрасноярскКурганКурскКызылЛенинск-КузнецкийЛипецкЛобняЛыткариноЛюберцыМагнитогорскМайкопМалаховкаМахачкалаМиассМоскваМурманскМуромМытищиНабережные ЧелныНазраньНальчикНаро-ФоминскНахабиноНаходкаНевинномысскНефтекамскНефтеюганскНижневартовскНижнекамскНижний НовгородНижний ТагилНовокузнецкНовокуйбышевскНовомосковскНовороссийскНовосибирскНовоуральскНовочебоксарскНовочеркасскНовошахтинскНовый УренгойНогинскНорильскНоябрьскОбнинскОдинцовоОктябрьскийОмскОрелОренбургОрехово-ЗуевоОрскПавловский ПосадПензаПервоуральскПермьПетрозаводскПетропавловск-КамчатскийПодольскПрокопьевскПсковПушкиноПятигорскРаменскоеРеутовРостов-на-ДонуРубцовскРыбинскРязаньСакиСалаватСамараСанкт-ПетербургСаранскСаратовСевастопольСеверодвинскСеверскСергиев ПосадСерпуховСимферопольСмоленскСосновый БорСочиСтавропольСтарый ОсколСтерлитамакСтупиноСургутСызраньСыктывкарТаганрогТамбовТверьТихвинТольяттиТомилиноТомскТроицкТулаТюменьУлан-УдэУльяновскУссурийскУсть-ИлимскУфаУхтаФеодосияФрязиноХабаровскХанты-МансийскХасавюртХимкиЧебоксарыЧелябинскЧереповецЧеркесскЧеховЧитаШахтыЩелковоЭлектростальЭлистаЭнгельсЮжно-СахалинскЯкутскЯлтаЯрославль
  • - бесплатно по РФ
    Автоперезвон. Работает по принципу: Вы позвонили на номер, мы сбрасываем звонок и перезваниваем через 3 секунды.
  • - по Москве
  • 8 (925) 663-83-63

Call-центр

пн-вс: 10:00-19:00

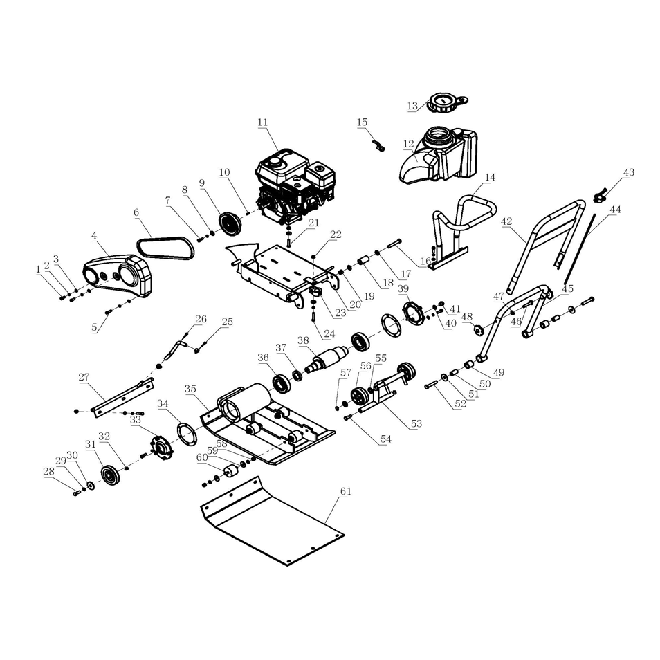
Виброплита бензиновая ВПБ-15 А

Данная модель имеет несколько схем

NАртикулНазваниеСрок отгрузкиЦенаКупить
1.11 N000-035-106 Двигатель Loncin G200F
1.14 N000-034-929 Рама защитная
1.18 N000-034-936 Рукав резиновый
1.20 N000-034-927 Пластина для крепления двигателя
1.23 N000-034-890 Фиксатор
1.31 N000-034-914 Шкив ведомый 2.114 р.
1.33 N000-034-889 Фланец корпуса виброэлемента L 1.266 р.
1.34 N000-035-109 Прокладка бумажная 56 р.
1.35 N000-035-115 Основание 25.638 р.
1.37 N000-034-916 Сальник D55хd35х10 477 р.
1.38 N000-034-898 Вал эксцентрик
1.39 N000-034-888 Крышка корпуса виброэлемента R 1.266 р.
1.4 N000-034-884 Крышка Ремня
1.40 N000-035-104 Прокладка алюминиевая 56 р.
1.42 N000-034-909 Рукоятка верхняя часть
1.43 N000-034-941 Рычаг газа 1.072 р.
1.44 N000-034-940 Трос дроссельной заслонки 3.327 р.
1.45 N000-034-908 Рукоятка нижняя часть
1.49 N000-034-906 Ручка резиновая
1.50 N000-034-907 Втулка резиновая
1.53 N000-034-946 Кронштейн колесный
1.56 N000-034-945 Колесо пластиковое D93хd17.5х40 637 р.
1.6 N000-035-082 Ремень клиновой 13х864Li 826 р.
1.60 N000-035-111 Амортизатор 910 р.
1.9 N000-034-893 Шкив ведущий-Муфта сцепления в сборе 8.620 р.
2.10 N000-034-911 Изолятор тепловой
2.11 N000-034-919 Прокладка 47 р.
2.12 N000-017-197 Карбюратор 3.875 р.
2.13 N000-034-920 Прокладка 231 р.
2.14 N000-034-879 Фильтр воздушный в сборе 1.157 р.
2.14-1 N000-017-198 Фильтр воздушный 112x74xh68 657 р.
2.17 N000-034-943 Трубка
2.19 N000-034-932 Шток
2.2 N000-034-896 Крышка клапанная
2.20 N000-034-921 Штифт D10х14
2.21 N000-034-903 Прокладка 635 р.
2.22 U592-150-159 Блок электронный датчика уровня 325 р.
2.24 N000-034-904 Прокладка 129 р.
2.25 N000-035-108 Глушитель
2.27 N000-034-934 Сухарик
2.28 N000-034-931 Тарелка клапана
2.3 N000-034-925 Прокладка 228 р.
2.30 N000-027-827 Клапан
2.31 N000-034-933 Штанга толкателя
2.32 N000-034-913 Толкатель
2.33 N000-027-828 Колпачок маслосъемный
2.34 N000-034-901 Прокладка 44 р.
2.35 N000-034-944 Трубка
2.36 N000-034-947 Элемент фильтрующий 446 р.
2.37 N000-034-891 Зажим
2.38 N000-034-880 Коромысло комплект
2.39 N000-034-928 Направляющая
2.41 N000-034-910 Прокладка 47 р.
2.42 N000-027-829 Шатун в сборе
2.43 N000-034-892 Кольцо стопорное
2.44 N000-027-830 Кольца поршневые 1.403 р.
2.45 N000-027-831 Поршень 1.487 р.
2.46 N000-034-924 Палец поршня
2.48 N000-034-894 Рычаг дроссельной заслонки 790 р.
2.49 N000-034-938 Пружина
2.5 N000-035-107 Головка цилиндра
2.52 N000-034-882 Картер
2.53 N000-035-103 Диод датчика уровня масла
2.54 N000-034-926 Пластина
2.56 N000-034-902 Маховик
2.57 N000-034-899 Крыльчатка
2.58 N000-034-930 Стакан храповика 534 р.
2.60 N000-017-199 Стартер в сборе 4.717 р.
2.61 N000-034-897 Кожух
2.62 N000-034-939 Стартер ручной в сборе 3.317 р.
2.63 N000-035-113 Выключатель зажигания 377 р.
2.64 N000-034-905 Регулятор оборотов центробежный 532 р.
2.65 U009-620-700 Подшипник шариковый 6207-2RS (72х35х17)
2.66 N000-035-112 Датчик уровня масла поплавковый
2.68 N000-027-832 Коленвал
2.69 N000-034-885 Распредвал
2.7 N000-034-937 Кожух
2.70 N000-034-922 Штифт d8 L14
2.71 N000-034-917 Прокладка 509 р.
2.72 N000-034-886 Щуп
2.73 N000-034-895 Крышка картера
2.76 N000-034-887 Крышка топливного бака
2.77 N000-034-900 Фильтр заливной горловины бака
2.78 N000-035-114 Бензобак
2.80 N000-034-912 Патрубок топливный с фильтром резьба М10х1,5/ёлочка D5 297 р.
2.83 N000-034-881 Рычаг
2.85 N000-034-923 Шплинт
2.86 N000-035-110 Рычаг воздушной заслонки
2.88 N000-017-200 Магнето H=68 h=58 d=28.5 L=180 1.935 р.
2.9 N000-034-918 Прокладка 47 р.
Найдено товаров: 90
1
▲ Наверх
0
8 (925) 663-83-63

Call-центр

пн-вс: 10:00-19:00

НАЙТИ ПО МОДЕЛИ
Введите номер заказа
Введите номер своего заказа, что бы узнать его текущий статус.
Что бы получить доступ к расширенным функциям, пройдите не сложную регистрацию. Зарегистрироваться