Магазин запчастей для бытовой техники - Arlos
Москва
close
Выберите ваш регион
АбаканАлександровАльметьевскАнгарскАрзамасАрмавирАртемАрхангельскАстраханьАчинскБалаковоБалашихаБеларусьБелгородБердскБерезникиБийскБлаговещенскБратскБрянскВеликий НовгородВидноеВладивостокВладикавказВладимирВолгоградВолгодонскВолжскийВологдаВолховВоркутаВоронежВоскресенскВыборгГатчинаГеленджикГрозныйДедовскДербентДзержинскДзержинскийДимитровградДмитровДолгопрудныйДомодедовоДонецкЕвпаторияЕгорьевскЕкатеринбургЕлецЕссентукиЖелезногорскЖелезнодорожныйЖуковскийЗеленоградЗлатоустИвановоИвантеевкаИжевскИркутскИстраЙошкар-ОлаКазаньКалининградКалугаКаменск-УральскийКамышинКаспийскКемеровоКерчьКировКисловодскКлинКовровКоломнаКомсомольск-на-АмуреКопейскКоролёвКостромаКотельникиКрасногорскКраснодарКраснознаменскКрасноярскКурганКурскКызылЛенинск-КузнецкийЛипецкЛобняЛыткариноЛюберцыМагнитогорскМайкопМалаховкаМахачкалаМиассМоскваМурманскМуромМытищиНабережные ЧелныНазраньНальчикНаро-ФоминскНахабиноНаходкаНевинномысскНефтекамскНефтеюганскНижневартовскНижнекамскНижний НовгородНижний ТагилНовокузнецкНовокуйбышевскНовомосковскНовороссийскНовосибирскНовоуральскНовочебоксарскНовочеркасскНовошахтинскНовый УренгойНогинскНорильскНоябрьскОбнинскОдинцовоОктябрьскийОмскОрелОренбургОрехово-ЗуевоОрскПавловский ПосадПензаПервоуральскПермьПетрозаводскПетропавловск-КамчатскийПодольскПрокопьевскПсковПушкиноПятигорскРаменскоеРеутовРостов-на-ДонуРубцовскРыбинскРязаньСакиСалаватСамараСанкт-ПетербургСаранскСаратовСевастопольСеверодвинскСеверскСергиев ПосадСерпуховСимферопольСмоленскСосновый БорСочиСтавропольСтарый ОсколСтерлитамакСтупиноСургутСызраньСыктывкарТаганрогТамбовТверьТихвинТольяттиТомилиноТомскТроицкТулаТюменьУлан-УдэУльяновскУссурийскУсть-ИлимскУфаУхтаФеодосияФрязиноХабаровскХанты-МансийскХасавюртХимкиЧебоксарыЧелябинскЧереповецЧеркесскЧеховЧитаШахтыЩелковоЭлектростальЭлистаЭнгельсЮжно-СахалинскЯкутскЯлтаЯрославль
  • - бесплатно по РФ
    Автоперезвон. Работает по принципу: Вы позвонили на номер, мы сбрасываем звонок и перезваниваем через 3 секунды.
  • - по Москве
  • 8 (925) 663-83-63

Call-центр

пн-вс: 10:00-19:00

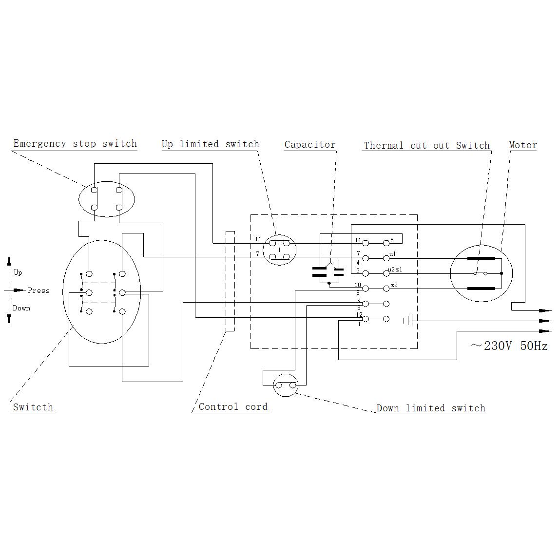
ЭлектроТельфер ЗЭТ-1000

Данная модель имеет несколько схем

NАртикулНазваниеСрок отгрузкиЦенаКупить
1 U523-100-001 Кронштейн
2 U523-100-002 Скоба крепления
3 UM03-000-040 Болт M12х40
4 UM03-000-031 Болт M10х32
5 U009-620-4R1 Подшипник шариковый 6204-2RS (47х20х14) ZYTL 1.808 р.
6 U523-100-006 Клин-фиксатор
7 U523-100-007 Барабан
10 U523-100-010-C Трос в сборе
14 U523-100-014 Рычаг ограничителя подъема 261 р.
15 U523-100-015 Рычаг ограничителя опускания
17 U523-100-017 Вал барабана 2.905 р.
18 U523-100-018 Шпонка
19 U009-620-5RS Подшипник шариковый 6205-2RS (52х25х15) JT 644 р.
20 U523-100-020 Корпус редуктора 3.382 р.
21 UM01-000-125 Винт M6x24 H5
22 U523-100-022 Шестерня 4.845 р.
23 U523-100-023 Прокладка
24 U009-620-200 Подшипник шариковый 6202 открытый (35х15х11) n/n 366 р.
25 U523-100-025 Промвал 6.230 р.
26 U523-100-026 Шестерня промвала 4.845 р.
27 U009-620-100 Подшипник шариковый 6201 открытый (32х12х10) C&U 344 р.
28 U523-100-028 Промщит 6.305 р.
30 U523-100-030 Ротор 9.694 р.
31 U523-100-031-C Статор в сборе 17.454 р.
33 U523-100-033 Пружина тормоза 438 р.
34 U523-100-034 Диск тормозной 881 р.
35 U009-620-3RS Подшипник шариковый 6203-2Z (40х17х12) BY 344 р.
36 U523-100-036 Крышка корпуса статора
37 U523-100-037 Болт M6х193
38 U523-100-038 Крышка крыльчатки
39 U523-100-039 Крыльчатка
40 U523-250-040 Шток выключателя
41 U523-250-041 Пыльник штока
42 U523-100-042 Микровыключатель JDLA-106 8А 250В (двойная коммутация) 626 р.
43 U523-100-043 Микровыключатель WQKB01 8А 250В 626 р.
44 U523-100-044 Корпус выключателя и конденсаторов
45 U523-100-045 Основание корпуса
46 U523-100-046 Колодка соединительная
47 U099-004-016-4 Шнур сетевой Rubber 4x1,0mm2 4m
48 U099-004-010-6 Шнур сетевой Rubber 3x1,0mm2 6m
49 U523-250-049 Зажим кабеля
53 U523-100-053-C Полиспаст в сборе
55 U523-100-055 Выключатель ZQKB03 10(10)A 250V~ 5E4 1.498 р.
56 U523-250-056 Выключатель аварийный TQKB02 8A 250V~ 1.380 р.
57 U523-100-057 Корпус пульта управления
57C U523-100-057-C Пульт управления в сборе 2.615 р.
58 U523-100-058 Конденсатор 58мкФ 450В
59 U523-100-059 Крышка корпуса
60 U523-100-060 Корпус выключателя с крышкой
61 U523-100-061 Конденсатор 12мкФ 450в 332 р.
Найдено товаров: 50
1
▲ Наверх
0
8 (925) 663-83-63

Call-центр

пн-вс: 10:00-19:00

НАЙТИ ПО МОДЕЛИ
Введите номер заказа
Введите номер своего заказа, что бы узнать его текущий статус.
Что бы получить доступ к расширенным функциям, пройдите не сложную регистрацию. Зарегистрироваться